数ブラウズ:4 著者:Yingying Zhou 公開された: 2018-08-07 起源:パワード
シングルロー4ポイントコンタクトボールスリーウィングリング デザインのコンパクト、重量の光、4ポイントの円形レースウェイとのボール接触を特徴としています。 、溶接操作コンソール、軽量、中程度のクレーン、掘削機およびその他のエンジニアリングマシン。
HSシリーズは、事前に設計された軽いプロファイルの滑りリングを特徴としています。これにより、代替穴のパターン、剛性の向上、およびより多くの容量の可能性が可能になります。クレーン、空中リフト、ディガーデリック、シュートスイベル、リフトトラックローター、産業用ターンテーブルに最適です。


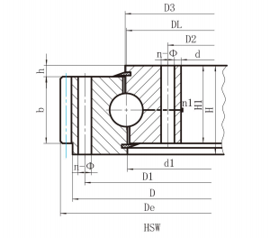
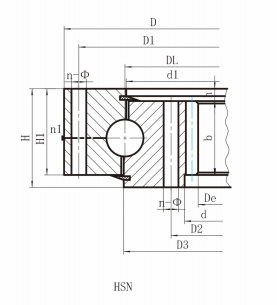
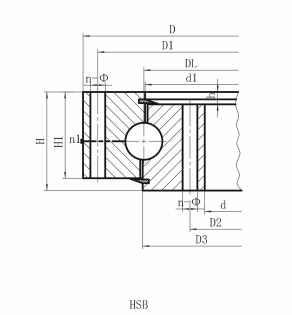
HSシリーズは、同じピニオン、ギア、レースコアの硬度を共有しています。ただし、HSスリーニングリングは、RKシリーズよりも追加の容量、より大きな剛性、およびより少ない動きを提供するクリアランスと長方形のセクションを削減します。 HSスリーニングリングベアリング 標準断面を備えた20 "から47 "(500 mmから1,200 mm)のODのサイズの範囲。構成には、非ギアと内部ギア付き(外径に継手が付いています)、および外部ギア(内径のフィッティング)が含まれます。ギアは、20°の圧力角を持つインボリュートスタブデザインで、AGMAクラスQ5および.015 "から.025 "に製造されています。
HSスリーニングリングベアリングは、180°離れた間隔で潤滑用の2つのフィッティングを備えています。ギアされたレースには穴が開けられていますが、無防備なレースには穴があります。すべてが汚染から保護するように設計された積分シールを持っています。
XZWDエンジニアは、経験と専門知識を適用して、最もユニークなベアリングの課題に対処するための幅広いソリューションを作成し、XZWDをクレーンベアリングのサプライヤーにします。
