数ブラウズ:37 著者:ルビー・チャン 公開された: 2018-03-22 起源:パワード
aのかどうかを判断します スリーウィングリングベアリング アプリケーションに適しており、サービスファクターが適用されます。アプリケーションに適用するサービスファクターのガイドについては、以下の表を参照してください。このカタログに示されている負荷定格曲線は近似であり、アプリケーションサービス係数1.00を表しています。必要なベアリング定格を決定するには、適用可能なサービス係数にベアリングに適用された負荷を掛け、結果の負荷を負荷定格曲線と比較します。
のクラス | 典型的な考慮事項 | アプリケーションの例 | 最小 |
ライト | よく定義された負荷 | タイヤマウントライトデューティ構造 | 1.00 |
容量をはるかに下回るロード | ライトデューティインデックステーブル | 1.00 | |
回転が遅く、時間が10%未満で断続的 | 軽量産業マニピュレーターまたはロボット | 1.00 | |
ライトデューティハンド操作メカニズム | 1.00 | ||
ライトデューティ医療機器 | 1.00 | ||
ライトデューティ航空プラットフォーム | 1.00 | ||
溶接ポジショナー | 1.00 | ||
回転標識、表示 | 1.00 | ||
中くらい | よく定義された負荷 | マウントされた光義務構造を追跡します | 1.10 |
容量の近くまたはそれ以下のロード | スクラップヤード構造 | 1.25 | |
回転が遅く、時間が30%未満で断続的 | 中程度の産業マニピュレーターまたはロボット | 1.25 | |
コンベア | 1.10 | ||
ロータリーテーブル | 1.25 | ||
キャプスタンとターンスタイル | 1.10 | ||
廃水処理 | 1.10 | ||
重い | 十分に定義されていないロード | 林業処理装置 | 1.50 |
機械容量を超えてロードすることが発生する可能性があります | ヘビーデューティーインデックステーブルとターンテーブル | 1.50 | |
衝撃負荷が発生する可能性があります | 掘削機 | 1.50 | |
回転断続的、最大100%の時間 | |||
特別な | 十分に定義されていないロード | 代替エネルギー(風、水力など) | TBD |
連続回転 | オフショアアプリケーション | TBD | |
高速ローテーション | 遊園地 | TBD | |
重い負荷、衝撃、衝撃 | 製鉄所アプリケーション | TBD | |
高精度、ポジショニング | 精密ロボット工学 | TBD |
該当するサービスファクターの決定に支援が必要な場合、またはより詳細な負荷定格曲線が必要な場合(このカタログに示されている負荷定格曲線の近くで、またはそれ以降に適用されたサービスファクターが適用された場合に推奨されます)。エンジニアリングにお問い合わせください支援のために。機器設計者は、テストによって検証されることが多い正しいサービスファクターを決定する責任があることに注意してください。
の「典型的なアプリケーション」 スリーニングリングベアリング 以下にリストされている条件を示します。アプリケーション条件が「典型的な」と見なされる条件と異なる場合は、ベアリングの選択と機能に特別な考慮を払う必要があります。これらの典型的なアプリケーション条件は次のとおりです。
l回転の垂直軸。本質的に、ベアリングは「フラット」に取り付けられています。
L圧縮スラストとモーメントの負荷は、張力負荷と比較して支配的です。
lラジアル負荷は、スラスト負荷の10%未満に制限されています。
l単一の列のベアリングの場合、断続的な回転(連続していない)は、500フィート/分のピッチライン速度を超えてはなりません。
l -40ºF〜 +140ºFの動作温度。
l両方の人種の丸みと平坦性を保証するための表面ジオメトリと設置手順の取り付け。例のアプローチは、交互の星パターン法を使用してボルトを締めながら、中心的なスラスト荷重を適用することです。
l適切な張力を確認するための取り付けボルトの定期的なチェックが提供されています。
l周期的な潤滑が提供されます。
スリーニングリングベアリング 以下に示すように、重要な放射状、推力、モーメントの負荷に対応するように設計されています。

これは、ほとんどの場合、Xタイプの薄いセクションベアリングと概念が似ているユニークな4ポイントコンタクトレースウェイジオメトリによって達成されます。これにより、単一のベアリングが、個別にまたはその組み合わせのいずれか上記の3つの負荷シナリオすべてに対応できます。
スリーニングリングベアリングは、回転が遅く、振動し、断続的な場合に最も一般的に使用されます。制限速度の計算については、Silverthin Engineeringにお問い合わせください。
滑りリングベアリングには、通常、直径の許容値が提供されません。一部のスリーニングリングアプリケーションでは、より高い精度が必要です。特別なアプリケーションでのエンジニアリングおよび設計サポートについては、エンジニアリングにお問い合わせください。
スリーニングリングベアリングは、屋内でしばしば使用され、水分にさらされ、かなりの汚染が可能な屋外が可能です。通常の温度範囲-40°F〜 +140°F(-40°C〜 +60°C)が標準です。より厳しい環境で動作するように設計されたスリーウィングリングはXZWDから入手できます。設計プロセスの早い段階でXZWDエンジニアに連絡して、極端な環境に最適なベアリングシステムソリューションを特定してください。
前述のように、以下に示すように、ベアリングを「圧縮」に取り付けることが最善です。これにより、負荷がボールによって運ばれることが保証されます。ボールは、提供されている負荷曲線で表されます。ボルト強度が容量の主要な考慮事項になるため、張力マウントの容量は大幅に少なくなります。

取り付け面は、ベアリングの適切な機能のために正確に機械加工する必要があります。標準のボルトパターンを収容できない場合は、代替オプションについてはSilverthin Engineeringにお問い合わせください。張力または圧縮での取り付けを考慮する必要があります。張力では、ボルト強度が制限荷重考慮になり、負荷曲線はもはや適用されず、特別な考慮事項を行う必要があります。以下の追加ガイドラインを参照してください。
一般に、この経験則は、適切な構造的完全性を提供します。
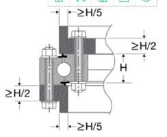
ベアリングマウント表面の平坦性は、最適なパフォーマンスにとって重要です。頻繁に取り付け構造は、構造に応力を誘発するために溶接または機能します。これらの応力は緩和する必要があり、その後、ベアリングマウント表面を平らに機械加工する必要があります。平坦性を考慮する必要があります:
円周方向(ΔR):4点ボールベアリングの円周方向に許容されるフラットネスの外れの量を下の図に示します。この量のフラットネスは、90°未満のスパンでは180°以下のスパンで1回以下で超えてはなりません。
放射状方向(ΔP)の許容皿または垂直偏差:4点接触ボールベアリングデザインの場合、許容されるこの量の皿は、式を使用して近似できます。
Δp≈0.001∗ dw ∗ p
どこ:
P | = | 取り付け構造面の半径方向(in) |
dw | = | ローリング要素の直径(in) |

アプリケーションがより高い精度または低回転トルクを必要とする場合、ΔRとΔPの値を減らす必要がある場合があることに注意してください。ローラーベアリングの場合、許容される平坦性の量は、同等のサイズの場合は約2/3です 4点接触ボールベアリング.

グリースは、スリーニングリングベアリングとギアアプリケーションで使用される最も一般的な潤滑剤です。提供されたグリースフィッティングまたはグリース穴を介した定期的な潤滑は、標準的なスリーニングリングで適切に動作するために必要です。特別な潤滑オプションについては、XZWDにお問い合わせください
摩擦モーメントは、以下の式を使用して、スリーニングリングベアリングについて推定できます。結果の値は、このカタログで概説されているガイドラインに従ってベアリングがマウントされると仮定します。この推定値は、負荷がベアリングに適用される場合にのみ適用され、無負荷状態で開始トルクを反映しません。また、潤滑剤によって生成された摩擦トルク、成分のシール、重量も考慮されていません。ただし、これは出発点を提供し、追加のトルクに対応するためにアセンブリで追加のエクスペリエンス調整を行うことができます。
MF =μ∗(4.4M + FA DPW + 2.2 FR DPW) / 2
どこ:
MF | = | 負荷下の開始トルク(ft-lbs) |
μ | = | 摩擦係数(通常0.006) |
M | = | モーメント負荷(ft-ibs) |
Fa | = | 軸荷重(IBS) |
fr | = | 放射状負荷(IBS) |
DPW | = | ベアリングピッチ直径(ft) |
固定ハードウェアサプライヤーのアドバイスと支援を受けて、ボルトを選択することが常に提案されています。ボルトの品質、プリューション手順、およびメンテナンスは大きく異なる場合があります。
最適なボルト配置は、等間隔のファスナーを備えた内側と外側のレースの両方にボルト円を備えています。これにより、より均一な取り付け配置が発生し、ベアリングとファスナーの間に最高のパフォーマンスが得られます。これは、構造の配置の取り付けにより常に可能であるとは限らず、それに応じて穴がシフトされる場合があります。これらの場合、実際のボルト荷重を決定し、ジョイントの構成とアセンブリ手順を検証するためにテストをお勧めします。
最も重い荷重ボルトのおおよその負荷を決定するための出発点として、次の式を使用できます。 SilverThin™は、ボルトの妥当性に関して、表明または黙示的な保証を行わないことに注意してください。これが確実になる唯一の信頼できる方法であるため、実際の負荷を決定するためにテストを実行することを強くお勧めします。
rb = | 12 ∗ m ∗ r | ± | Fa |
BC ∗ n | n |
どこ:
RB | = | 最も重い荷重ボルト(IBS)の総負荷 |
M | = | モーメント負荷(ft-ibs) |
r | = | 剛性係数。平均剛性のベアリングとサポート構造に3を使用します。 |
Fa | = | 軸荷重(lbs) FAが緊張している場合、サインは +です FAが圧縮されている場合、サインは - |
紀元前 | = | ボルト円の直径(in) |
n | = | 均等に分散したボルトの総数 |
SF | = | 安全性のボルト因子。最小推奨値=3。以下の式を参照してください。 |
sf = | ボルトプルーフ負荷定格 |
RB |
ボルト径(in) | プルーフ負荷(LBS) |
1/2 | 17,000 |
5/8 | 27,100 |
3/4 | 40,100 |
7/8 | 55,400 |
1 | 72,700 |
1-1/8 | 91,600 |
1-1/4 | 116,300 |
1-1/2 | 168,600 |
1. SAE J429、グレード8、またはASTM A490/A490MまたはISO 898-1に従って、粗い糸で六角形のヘッド高強度ボルトを使用し、8.9グレード10.9が降伏強度の70%に張力をかけます。
2. SAE J995、Grade 8またはASTM A563、Grade DHまたはISO 898-2、クラス10に従って該当する場合、六角形のヘッドヘッドの粗い糸ナットを使用します。
3.最適なボルト張力の場合、ボルトヘッドの底からエンゲージメントの最初の糸までの距離の比率は3.5以上でなければなりません。検証にはテストが必要です。
4.特定のリングのすべての取り付けボルトには、クランプの長さが等しくなければなりません。
5.ボルトの頭とボルト糸の間の距離は、少なくともボルト体の直径に等しくなければなりません。
6.交配鋼構造のボルトのスレッドエンゲージメント長は、ボルト径の少なくとも1.25倍でなければなりません。
7.ベンチテストは、ボルトテンション法が機器テストの前に望ましい結果を達成することを検証することをお勧めします。
ベアリングを設置するときは、ベアリングが可能な限り丸いことを確認することが重要です。これにより、負荷分布が最適化され、最もスムーズな動作が促進されます。以下の手順は、援助として推奨されます。
ボルトの頭の下のASTM F436とナットに従って、硬化した丸いフラットスチールワッシャーを使用します。ロックウォッシャー、およびスレッド上の化合物をロックすることは推奨されません。
ベアリングとサポート構造にワッシャー、ナット、ボルトを取り付け、手張りを締めます。ボルトを取り付けるためにベアリングを歪めないでください。中程度の中心的なスラスト荷重をベアリングに適用します。ボルトを設計者の仕様に締めます。一般的なアプローチは、以下の図に示すように、星パターンを使用してボルトを締めることです。シーケンス。パターンは通常、機器設計者が指定した最終ボルトトルクまたは張力レベルの約30%、80%、100%で3つのステップで行われます。
適切な張力の喪失は、早期のボルト不全、ベアリングと構造の故障、コンポーネントの損傷、および近くの人の致命的または傷害につながる可能性があります。ボルトは、適切な張力のために頻繁に検査する必要があります。これは、ボルトのトルクを測定することで一般的に達成されます。
