Xuzhou Wanda Slewing Bearing Ringの「典型的なアプリケーション」は、以下にリストされている条件を示します。アプリケーション条件が「典型的な」と見なされる条件と異なる場合は、ベアリングの選択と機能に特別な考慮を払う必要があります。これらの典型的なアプリケーション条件は次のとおりです。
・回転の垂直軸。本質的に、ベアリングは「フラット」に取り付けられています。
・圧縮スラストとモーメントの負荷は、張力負荷と比較して支配的です。
・ラジアル負荷は、スラスト負荷の10%未満に制限されています。
・単一の列のベアリングの場合、断続的な回転(連続していない)は、500フィート/分のピッチライン速度を超えてはなりません。
・ - +140ºFから +140ºFの動作温度。
・両方の人種の丸みと平坦性を保証するための表面ジオメトリと設置手順の取り付け。例のアプローチは、交互の星パターン法を使用してボルトを締めながら、中心的なスラスト荷重を適用することです。
・適切な張力を確認するための取り付けボルトの定期的なチェックが提供されています。
・定期的な潤滑が提供されます。
xzwd スリーニングリングベアリング 以下に示すように、重要な放射状、推力、モーメントの負荷に対応するように設計されています。
これは、ほとんどの場合、XZWD Xタイプの薄いセクションベアリングと概念が似ているユニークな4ポイントコンタクトレースウェイジオメトリによって達成されます。これにより、単一のベアリングが、個別にまたはその組み合わせのいずれか上記の3つの負荷シナリオすべてに対応できます。
Xuzhou Wanda Srewing Bearing Ring Load機能の詳細については、負荷曲線を参照してください。
XZWDスリーニングリングベアリングは、回転が遅く、振動し、断続的な場合に最も一般的に使用されます。制限速度の計算については、XZWDエンジニアリングにお問い合わせください。
XZWDのスリーニングリングベアリングは、通常、直径の許容値を備えていません。一部のスリーニングリングアプリケーションでは、より高い精度が必要です。特別なアプリケーションでのエンジニアリングおよび設計サポートについては、XZWDエンジニアリングにお問い合わせください。
XZWDのスリーニングリングベアリングは、屋内でしばしば使用され、水分にさらされ、かなりの汚染が可能な屋外が可能です。通常の温度範囲-40°F〜 +140°F(-40°C〜 +60°C)が標準です。より厳しい環境で動作するように設計されたスリーウィングリングはXZWDから入手できます。設計プロセスの早い段階でXZWDエンジニアに連絡して、極端な環境に最適なベアリングシステムソリューションを特定してください。これで使用したい場合など クレーンのスリーウィングベアリング、あなたは私たちに連絡することができます。
前述のように、以下に示すように、ベアリングを「圧縮」に取り付けることが最善です。これにより、負荷がボールによって運ばれることが保証されます。ボールは、提供されている負荷曲線で表されます。ボルト強度が容量の主要な考慮事項になるため、張力マウントの容量は大幅に少なくなります。
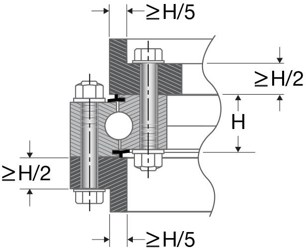
取り付け面は、ベアリングの適切な機能のために正確に機械加工する必要があります。標準のボルトパターンを収容できない場合は、代替オプションについてはXZWDエンジニアリングにお問い合わせください。張力または圧縮での取り付けを考慮する必要があります。張力では、ボルト強度が制限荷重考慮になり、負荷曲線はもはや適用されず、特別な考慮事項を行う必要があります。以下の追加ガイドラインを参照してください。
一般に、この経験則は、適切な構造的完全性を提供します。
グリースは、スリーニングリングベアリングとギアアプリケーションで使用される最も一般的な潤滑剤です。提供されたグリースフィッティングまたはグリース穴を介した定期的な潤滑は、標準的なスリーニングリングで適切に動作するために必要です。特別な潤滑オプションについては、Xuzhou Wandaのスリーニングベアリングにお問い合わせください。
摩擦モーメントは、以下の式を使用して、スリーニングリングベアリングについて推定できます。結果の値は、このカタログで概説されているガイドラインに従ってベアリングがマウントされると仮定します。この推定値は、負荷がベアリングに適用される場合にのみ適用され、無負荷状態で開始トルクを反映しません。また、潤滑剤によって生成された摩擦トルク、成分のシール、重量も考慮されていません。ただし、これは出発点を提供し、追加のトルクに対応するためにアセンブリで追加のエクスペリエンス調整を行うことができます。
いつ ベアリングの取り付け 、ベアリングが可能な限り丸いことを確認することが重要です。これにより、負荷分布が最適化され、最もスムーズな動作が促進されます。以下の手順は、援助として推奨されます。
ボルトの頭の下のASTM F436とナットに従って、硬化した丸いフラットスチールワッシャーを使用します。ロックウォッシャー、およびスレッド上の化合物をロックすることは推奨されません。
ベアリングとサポート構造にワッシャー、ナット、ボルトを取り付け、手張りを締めます。ボルトを取り付けるためにベアリングを歪めないでください。中程度の中心的なスラスト荷重をベアリングに適用します。ボルトを設計者の仕様に締めます。一般的なアプローチは、以下の図に示すように、星パターンを使用してボルトを締めることです。シーケンス。パターンは通常、機器設計者が指定した最終ボルトトルクまたは張力レベルの約30%、80%、100%で3つのステップで行われます。
適切な張力の喪失は、早期のボルト不全、ベアリングと構造の故障、コンポーネントの損傷、および近くの人の致命的または傷害につながる可能性があります。ボルトは、適切な張力のために頻繁に検査する必要があります。これは、ボルトのトルクを測定することで一般的に達成されます。
