SDE3
XZWD
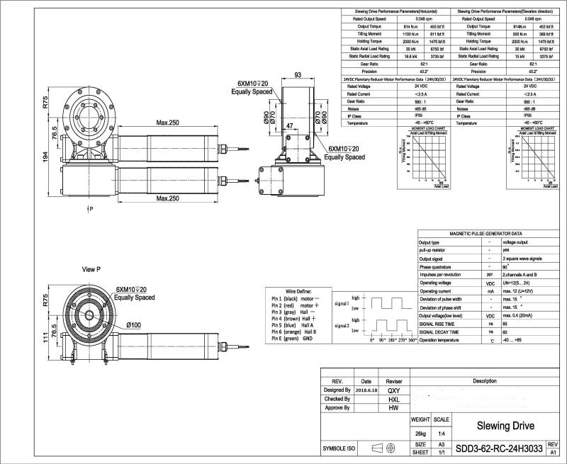
デュアル軸スリーニングドライブ 通常はスリーニングベアリングと呼ばれる新しいタイプのロータリー製品であり、通常はワーム、スリーウングリング、ケース、モーターなどで構成されています。コアコンポーネントはベアリングの滑りになるため、同時に軸方向の力、放射状の力、転換モーメントに耐えることができます。従来のロータリー製品と比較して、デュアル軸スルードライブ 簡単なインストール、簡単なメンテナンス、およびより多くの設置スペースの節約の特徴があります。 滑りドライブは、主に航空宇宙、タワークレーン、掘削機、建設機械、コンベア機械、エレベーター、空中作業、衛星受信システム、ソーラー追跡システム、その他多くの産業で使用されます。
ロータリードライブの3つの利点:
基本単位
スリーニングドライブの統合が高いため、ユーザーは各コンポーネントを1つずつ構成する各コンポーネントを購入および処理する必要がありません。生産性。
安全性
ワームギアドライブには、リバースセルフロックの特性があり、リバースセルフロックを実現できます。つまり、ワームホイールはワームによってのみ駆動でき、ワームホイールはワームホイールによって駆動できません。 この機能により、ロータリードライブは、持ち上げ、航空作業、その他の機器に広く使用されています。メインフレームの技術コンテンツを改善しながら、メインマシンの安定性と操作の安全因子も大幅に向上させます。 従来のロータリー製品と比較して、スリーニングドライブは簡単に設置でき、メンテナンスが簡単で、設置スペースを節約できます。
以下は、スリーニングドライブのアセンブリプロセスです。
あなたが当社の製品に興味があるなら、お問い合わせください!
デュアル軸スリーニングドライブ 通常はスリーニングベアリングと呼ばれる新しいタイプのロータリー製品であり、通常はワーム、スリーウングリング、ケース、モーターなどで構成されています。コアコンポーネントはベアリングの滑りになるため、同時に軸方向の力、放射状の力、転換モーメントに耐えることができます。従来のロータリー製品と比較して、デュアル軸スルードライブ 簡単なインストール、簡単なメンテナンス、およびより多くの設置スペースの節約の特徴があります。 滑りドライブは、主に航空宇宙、タワークレーン、掘削機、建設機械、コンベア機械、エレベーター、空中作業、衛星受信システム、ソーラー追跡システム、その他多くの産業で使用されます。
ロータリードライブの3つの利点:
基本単位
スリーニングドライブの統合が高いため、ユーザーは各コンポーネントを1つずつ構成する各コンポーネントを購入および処理する必要がありません。生産性。
安全性
ワームギアドライブには、リバースセルフロックの特性があり、リバースセルフロックを実現できます。つまり、ワームホイールはワームによってのみ駆動でき、ワームホイールはワームホイールによって駆動できません。 この機能により、ロータリードライブは、持ち上げ、航空作業、その他の機器に広く使用されています。メインフレームの技術コンテンツを改善しながら、メインマシンの安定性と操作の安全因子も大幅に向上させます。 従来のロータリー製品と比較して、スリーニングドライブは簡単に設置でき、メンテナンスが簡単で、設置スペースを節約できます。
以下は、スリーニングドライブのアセンブリプロセスです。
あなたが当社の製品に興味があるなら、お問い合わせください!
