WDE3-62-12R
wanda
8483409000
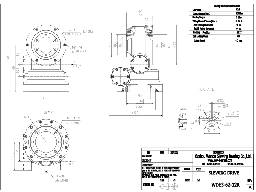
旋回ドライブは、ギア、ベアリング、シール、ハウジング、モーター、その他の補助部品を製造し、それらを完成したギアボックスに組み立てることによって製造されています。
中心部品として旋回ベアリングを採用することによって、旋回ドライブは軸力、ラジアル力と傾斜モーメントを同時に支えることができます。旋回駆動は、モジュラートレーラー、あらゆる種類のクレーン、空中作業プラットフォーム、太陽追尾システムおよび風力発電システムに広く適用されています。
二軸追尾システムは、いつでも太陽電池パネルを太陽に向けるように保ち、いつでも太陽の光を太陽電池パネルに垂直に照射させることができる一種の電源装置です。
二軸太陽追尾システムは、高度角+方位角」完全追跡システム、それは2つの回転角度で2つの回転軸に沿って完全に太陽の軌道を追跡し、太陽エネルギーの受信を最大化します。この種の旋回ドライブは、高緯度地域に適しており、発電効率は35%以上向上し、太陽光発電システムの効率が大幅に向上します。
旋回ドライブは、ギア、ベアリング、シール、ハウジング、モーター、その他の補助部品を製造し、それらを完成したギアボックスに組み立てることによって製造されています。
中心部品として旋回ベアリングを採用することによって、旋回ドライブは軸力、ラジアル力と傾斜モーメントを同時に支えることができます。旋回駆動は、モジュラートレーラー、あらゆる種類のクレーン、空中作業プラットフォーム、太陽追尾システムおよび風力発電システムに広く適用されています。
二軸追尾システムは、いつでも太陽電池パネルを太陽に向けるように保ち、いつでも太陽の光を太陽電池パネルに垂直に照射させることができる一種の電源装置です。
二軸太陽追尾システムは、高度角+方位角」完全追跡システム、それは2つの回転角度で2つの回転軸に沿って完全に太陽の軌道を追跡し、太陽エネルギーの受信を最大化します。この種の旋回ドライブは、高緯度地域に適しており、発電効率は35%以上向上し、太陽光発電システムの効率が大幅に向上します。
