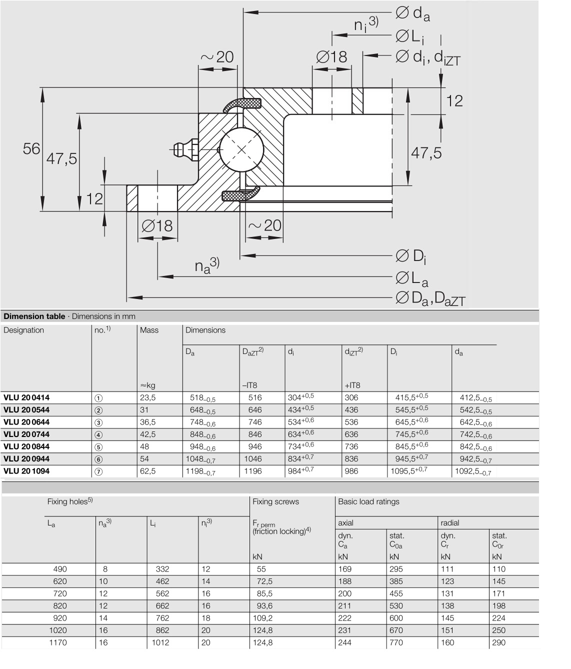
VLU200544
XZWD
8482800000
XZWDのスリーウィングリングは、ローリングベアリングテクノロジーの分野でプレミアム製品として世界中で知られています。これらの機械要素は何度も自分自身を証明しています。彼らは高い負荷の容量を持ち、多目的なアプリケーションの範囲であり、非常に費用対効果が高いです。
デザインにより、単一のベアリングは、ラジアル、軸方向、傾斜モーメントの負荷を確実にサポートできます。したがって、多くの場合、ラジアルベアリングと軸方向のベアリングの組み合わせを1つのベアリングで構成するベアリング配置を置き換えることができます。これにより、場合によっては、隣接する構造の設計とベアリングのフィッティングに必要なコストと作業が大幅に削減されます。
滑りのリングは両側に密閉され、高品質のグリースで潤滑され、潤滑乳首を介して再硬化させ、特に簡単にフィットします。ベアリングリングは、ギアの歯なしで供給されます。または、シンプルな駆動ソリューションを実現するために、外部または内部ギアの歯で利用できます。
XZWDのスリーウィングリングは次のように設計されています。
■4点接触ベアリング
- プリロードのないこれらのスリーニングリングは、非常に厳しい操作の下で堅牢で証明されています。彼らは隣接する建設の平坦性と垂直性にわずかな要求しか置かない
- これらは、単純なメタルワーキングマシン、風力発電機、建設機械など、ベアリング配置の精度と剛性の要件が低いアプリケーションに適しています
■交差ローラーベアリング
- これらのプリロードされたスリーウィングリングは、4つのポイント接触ベアリングよりも高い負荷をサポートできます。彼らは特にベアリングが高放射状の力と中程度の軸方向と傾斜モーメントの負荷にさらされる場合、自分自身を証明しました
- これらは、ロボット、ハンドリングシステム、機械工場など、スティックスリップ、低回転抵抗、軸方向および放射状のランアウトの精度と剛性のための高い要件がない均一な均一なアプリケーションに適しています。
INA VLU200544と同じスリーニングベアリングを設計するために、お客様の需要に従うことができます。次のモデルとしてスリーニングベアリングが必要な場合は、私に連絡してください。
XZWDのスリーウィングリングは、ローリングベアリングテクノロジーの分野でプレミアム製品として世界中で知られています。これらの機械要素は何度も自分自身を証明しています。彼らは高い負荷の容量を持ち、多目的なアプリケーションの範囲であり、非常に費用対効果が高いです。
デザインにより、単一のベアリングは、ラジアル、軸方向、傾斜モーメントの負荷を確実にサポートできます。したがって、多くの場合、ラジアルベアリングと軸方向のベアリングの組み合わせを1つのベアリングで構成するベアリング配置を置き換えることができます。これにより、場合によっては、隣接する構造の設計とベアリングのフィッティングに必要なコストと作業が大幅に削減されます。
滑りのリングは両側に密閉され、高品質のグリースで潤滑され、潤滑乳首を介して再硬化させ、特に簡単にフィットします。ベアリングリングは、ギアの歯なしで供給されます。または、シンプルな駆動ソリューションを実現するために、外部または内部ギアの歯で利用できます。
XZWDのスリーウィングリングは次のように設計されています。
■4点接触ベアリング
- プリロードのないこれらのスリーニングリングは、非常に厳しい操作の下で堅牢で証明されています。彼らは隣接する建設の平坦性と垂直性にわずかな要求しか置かない
- これらは、単純なメタルワーキングマシン、風力発電機、建設機械など、ベアリング配置の精度と剛性の要件が低いアプリケーションに適しています
■交差ローラーベアリング
- これらのプリロードされたスリーウィングリングは、4つのポイント接触ベアリングよりも高い負荷をサポートできます。彼らは特にベアリングが高放射状の力と中程度の軸方向と傾斜モーメントの負荷にさらされる場合、自分自身を証明しました
- これらは、ロボット、ハンドリングシステム、機械工場など、スティックスリップ、低回転抵抗、軸方向および放射状のランアウトの精度と剛性のための高い要件がない均一な均一なアプリケーションに適しています。
INA VLU200544と同じスリーニングベアリングを設計するために、お客様の需要に従うことができます。次のモデルとしてスリーニングベアリングが必要な場合は、私に連絡してください。
